Home » , , » Classification of Converters

Classification of Converters

Classification of Converters (Based on Commutation)
Based on how the power semiconductor devices within the converter are switched, 3 major classes:
  1. Line frequency (naturally commutated) converters
  2. Switching ( including forced commutated) converters
  3. Resonant and quasi-resonant converters
Line frequency converters: the devices are turned off by the utility line voltage at one side of the converter and turned on, phase locked to the line voltage waveform by a triggering circuit. For ac-dc, ac-ac (frequency = input frequency, rms ≤ input rms).
Switching converters: the controllable switches in the converter are turned on and off at frequencies that are high compared to the line frequency. For dc-dc, dc-ac, ac-ac (variable frequency and rms, where the frequency ≤ the input frequency).
Resonant converters: the controllable switches turn on and/or turn off at zero voltage and/or zero current. For dc-dc, dc-ac.
Classification of Converters (Based on Functions)
Converters Input to Output Conversion
1. AC VOLTAGE CONTROLLER
Fixed to Variable ac (Line Commutation).
2. RECTIFIERS (Uncontrolled).
Fixed ac to Fixed dc (Line Commutation).
3. RECTIFIERS (Controlled).
Fixed ac to Variable dc (Line Commutation).
4. DC-to-DC (Chopper).
Fixed dc to Variable dc (Load or Forced Commutation).
5. INVERTERS (Uncontrolled).
Fixed voltage dc to Fixed ac (Line, Load, Forced).
6. INVERTERS (Controlled).
Fixed voltage dc to Variable ac (Line, Load, Forced).
7. CYCLO CONVERTERS.
Fixed ac voltage ac to Variable ac voltage & Frequency (Line or Forced).
Ac-ac Converter
A. Output frequency is equal to input frequency (output rms voltage can be varied)
TRIAC based Ac Voltage regulator (low voltage and current rating)
Thyristor based AC voltage regulator (high voltage and current rating)
B. Output frequency is less than input frequency (output rms voltage can be varied)
Cycloconverter
{V_{o(rms)}} = \frac{{{V_m}}}{{\sqrt 2 }}{\left[ {\frac{1}{\pi }\left( {\pi  - \alpha  + \frac{{\sin 2\alpha }}{2}} \right)} \right]^{\frac{1}{2}}}

TRIAC BASED Ac-ac Converter and waveforms
Fig. TRIAC BASED Ac-ac Converter and waveforms.
Ac-dc Converter (Rectifier) Two Types
  1. Diode Rectifier (uncontrolled rectifier)
  2. Ac-dc converters (controlled rectifiers)
Diode Rectifiers
{V_{o(average)}} = \frac{{2{V_m}}}{\pi } 
Diode Rectifiers Ac-dc Converter (Controller Rectifier)

{V_{o(average)}} = \frac{{2{V_m}}}{\pi }\left( {1 + \cos \alpha } \right)
 
Ac-dc Converter (Controller Rectifier) Dc-dc Converter (Chopper)
Three Types:
  1. Buck (step-down)
  2. Boost (step-up)
  3. Buck-boost
{V_{o(average)}} = \delta {V_S}
 
buck converter or chopper Fig. buck converter or chopper
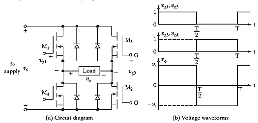
Dc-ac Converter (Inverter)
Output AC may be Single-phase or three-phase.
{V_{o(rms - fundamental)}} = \frac{{4{V_S}}}{{\pi \sqrt 2 }} = 0.90{V_S}
 
single-phase inverter Fig. single-phase inverter
previous Applications of Power Electronics
next Design Consideration of Power Electronic Equipment
Share this article :

1 comment:

  1. Our Dc to Dc Converter lines are different ranges, providing you with a diverse selection of package configurations, input and output voltage options. Grab the various kinds of the converter at the most reasonable price with effective style from our website at Dctodcpower.com.

    ReplyDelete

Please wait for approval of your comment .......