Home » , , » Familiarization with the Chopper/Inverter Control Unit (Inverter Modes)

Familiarization with the Chopper/Inverter Control Unit (Inverter Modes)

OBJECTIVE
To learn how to use the Chopper/Inverter Control Unit in the various inverter modes.
DISCUSSION
Introduction
The Chopper/Inverter Control Unit is a control element which is especially designed to build two major types of power electronic circuits: choppers and inverters.
There are ten modes in which the Chopper/Inverter Control Unit can operate. These modes are listed below.
OFF- Standby
CHOP. PWM- Pulse-width modulation (PWM) control chopper
CHOP. STEPS- Two-step control chopper
3~ 120˚- 120˚-modulation three-phase inverter
3~ 180˚- 180˚-modulation three-phase inverter
3~ P1- Programmed-waveform 1 modulation three-phase inverter
3~ P2- Programmed-waveform 2 modulation three-phase inverter
3~ V/f- Constant V/f ratio three-phase inverter
2~ 180˚- 180˚-modulation two-phase inverter
AUX.- Auxiliary
In the OFF mode, the Chopper/Inverter Control Unit runs in a standby condition where it generates no control signals. Notice that the Chopper/Inverter Control Unit also runs in the standby condition in the AUX. mode. This mode is kept available for future developments.
The Pulse Width Modulation (CHOP. PWM), and two-step control (CHOP. STEPS) modes of the Chopper/Inverter Control Unit are used to build various types of choppers.
The other modes of the Chopper/Inverter Control Unit, that is 3--120˚, 3--180˚, 3—P1, 3—p2, 3—V/f and 2--180˚ are used to build various types of choppers. These modes have dealt with in section.
The 180˚-modulation three-phase inverter MODE (3- 180˚)
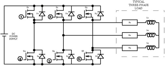
In this mode, the Chopper/Inverter Control Unit generates pulse signals designed to control a three-phase inverter. F6-1 shows the schematic diagram of a three-phase inverter built with power MOSFETs. Notice that the gate of each MOSFET is left open in this figure. Each gate only needs to be connected, through an isolator and an amplifier, to an appropriate control circuit, such as the Chopper/Inverter Control Unit, to complete the schematic diagram of the three-phase inverter.
Schematic diagram of a three-phase inverter built with power MOSFETS
F 6-1: Schematic diagram of a three-phase inverter built with power MOSFETS.
F6-2 shows an example of the control signals which the Chopper/Inverter Control Unit generates in the 3- 180˚ MODE. These signals, numbered 1 to 6, can be injected through isolators and amplifier into the MOSFET gates bearing the same number in the schematic diagram of the three-phase inverter shown in F6-1. Notice that control signals 1 to 6 are available on pins 1 t0 6 of the CONTROL OUTPUTS connector, respectively. In brief, the control signals switch the MOSFETs on and off in sequence to deliver ac power to the load. Since the duty cycle of the control signals is equal to 0.5, each MOSFET in the three-phase inverter shown in F6-1 is on 50% of time. In such a case, the inverter is referred to a 180˚-modulation three-phase inverter.
Control signals generated by the Chopper/Inverter Control Unit in the 3-180˚ MODE (positive voltage applied to Control INPUT 1)
F6-2: Control signals generated by the Chopper/Inverter Control Unit in the 3-180˚ MODE (positive voltage applied to Control INPUT 1).
The control signal frequency and the phase sequence of the control signals can be varied using CONTROL INPUT 1. The frequency varies linearly from 0 t 127 Hz as the voltage applied to CONTROL INPUT 1 varies from 0 to +10 V. in this case; the phase sequence of the control signals is as shown in F6-2. The control signal frequency varies again linearly from 0 to 127 Hz as the voltage applied to CONTROL INPUT 1 varies from 0 to +10 V, but this time the phase sequence of the control signals is reversed, as shown in F6-3. This feature is very useful when a three-phase inverter is used to control the speed of a motor which can rotate in both directions. CONTROL INPUTS 2 and 3 are not used in the 3~ 180˚ MODE.
Control signal generated by the Chopper/Inverter Control Unit in the 3~ 180˚ MODE (negative voltage applied to CONTROL INPUT 1)
F6-3: Control signal generated by the Chopper/Inverter Control Unit in the 3~ 180˚ MODE (negative voltage applied to CONTROL INPUT 1).
The 120˚-modulation, programmed waveform 1, and programmed waveform 2 three-phase inverter MODEs (3~ 120˚, 3~ P1 and 3~ P2)

In these modes the Chopper/Inverter Control Unit generates other types of pulse signals designed to control a three-phase inverter.

F6-4 shows an example of the control signals which the Chopper/Inverter Control Unit generates in the 3~ 120˚ MODE. These signals are identical to those generated in the 3~ 180˚ MODE (shown in F6-2) except that their duty cycle is equal to 0.33 instead of 0.5. An inverter with such control signals is referred to as a 120˚-modulation three-phase inverter.
Control signals generated by the Chopper/Inverter Control Unit in the 3~ 120˚ MODE (positive voltage applied to CONTROL INPUT 1)
F6-4: Control signals generated by the Chopper/Inverter Control Unit in the 3~ 120˚ MODE (positive voltage applied to CONTROL INPUT 1).
F6-5 and 6-6 show examples of the control signals which the Copper/Inverter Control Unit generates in the 3~ P1 MODEs, respectively. These signals consist of pulse trains which approximate the waveforms of the signals which are generated in the 3~ 180˚ MODE. The purpose of using a pulse train to approximate a waveform is to limit harmonic generation, which otherwise, could cause problems in many power electronics circuits.
Control signals generated by the Chopper/Inverter Control Unit in the   3~ P1 Mode (positive voltage applied to CONTROL INPUT 1)
F6-5: Control signals generated by the Chopper/Inverter Control Unit in the   3~ P1 Mode (positive voltage applied to CONTROL INPUT 1).
In these three modes, CONTROL INPUT 1 has the same function as in the 3~ 180˚ MODE, that is, the voltage applied to this input sets the control signal frequency and the phase sequence of the control signals. CONTROL INPUTS 2 and 3 are not used in any of these three modes.
Share this article :

0 comments:

Post a Comment

Please wait for approval of your comment .......