Home » , , » Familiarization with Silicon Controlled Rectifier(SCR) and its application for DC and AC power control.

Familiarization with Silicon Controlled Rectifier(SCR) and its application for DC and AC power control.

Objectives:
Test a silicon-controlled rectifier(SCR) using an ohmmeter.

Verify that SCR operates as a semiconductor switch by using it to control dc voltage applied to the load.

Familiarize yourself with the operation of a half-wave variable resistor phase control circuit of SCR.

Familiarize yourself with the operation of a half-wave RC diode phase control circuit of SCR.
Theory:
The controlled rectifier (SCR) is a three terminals, unidirectional, semiconductor switch used primarily for ac and dc power control. It is a four layers or PNPN device. Anode and cathode terminals are connected to the outer P and N layers. A gate terminal is connected to the inner P layer and serves to trigger the SCR into conduction.
The diode equivalent of the SCR in F1 shows that it consists of two forward diodes formed by PN junctions J1 and J3. A reverse diode formed by NP junction J2. A terminal is connected to the common node of J2 and J3.
When a forward voltage is applied between anode and cathode, the SCR cannot conduct because of the reverse connection of the J2 junction. Applying sufficient positive voltage to the gate cause the J2 junction to break down in the reverse direction, allowing the J1 and J3 junction to conduct forward current. Once forward current starts flowing its magnitude is essentially limited only by the external circuit, and the gate voltage that triggered the SCR is no longer needed. If the anode to cathode voltage source drops to a low value or reverses in polarity, the SCR drops out of conduction due to the bias requirements across the J1 and J3 junction. It should be pointed out that if the maximum forward and reverse voltage rating of the SCR were exceeded, the SCR would break down regardless of the gate connection.
Familiarization with Silicon Controlled Rectifier(SCR) and its application for DC and AC power control F1
The SCR is primarily a power control device. A gate current can control a much larger voltage or current in the anode-cathode circuit. Various methods can be used to trigger the gate. For example, the signal may be ac, dc or pulse, or it may be a signal that is phase related to the load. Similarly, various load circuits can be controlled by the SCR. The load may be simple lamp circuit, a power supply, a voltage regulator or even an industrial motor. In any given application the SCR may be required to carry some, if not all of the load current. It may be necessary to use the SCR and control device simultaneously. Thus, for its size and cost, the SCR is a unique device in power control applications.
Objective A: Test of an SCR
Equipments and material:
Power source 0-6 Vdc, 150 mA
Electronic VOM
Practical Electronics Trainer
Q1 - Silicon Controlled Rectifier, C106B1
R1 - 4.7 kΩ, 1 W
R2 - 1 kΩ , 1 W
R3 - 10 kΩ, ½ W, Potentiometer Component Module
R4 - 47 Ω, 1 W
R5 - 1 MΩ, 1 W
S1 - SPST, Component Module
S2 - PBNO, Component Module
PROCEDURES/STEPS
  1. Identify anode (A), cathode (K) and gate (G) terminals of the test SCR
  2. Set the electronic VOM to the ohmmeter function on the R×100 range.
  3. Connect the common lead (-) to the cathode of the SCR and the ohms probe (+) to the gate. The SCR gate-cathode PN junction is forward biased with these ohmmeter connections. Record the resistance RGK.
  4. Reverse the ohmmeter leads, connecting the common lead to the gate and the ohms probe to the cathode. Record the reverse resistance RKG.
  5. Keep the common lead connected to the gate and move the ohms probe to the cathode. Record the resistance RAG.
  6. Reverse the ohmmeter leads and measure the reverse resistance from anode to gate RGA.
  7. With common lead connected to the anode, move the ohms probe to the cathode. Record the resistance RKA.
  8. Reverse the ohmmeter leads, connecting the common lead to the cathode and the ohms probe to the anode. Record the resistance RAK.
  9. With the ohmmeter leads connected to the SCR as in step 8, connect 1 MΩ resistor R5 between the anode and gate terminals. Observe the resistance value.
  10. Disconnect the ohmmeter leads and R5.
PROBLEMS AND TASKS FOR REPORT WRITING-PART A
  1. How can identify the anode (A), cathode (C), gate (G) terminals?
  2. What is the value of resistance RGK at step 3?
  3. What is the value of resistance RKG at step 4?
  4. What is the value of resistance RAG at step 5?
  5. What is the value of resistance RGA at step 6?
  6. What is the value of resistance RKA at step 7?
  7. What is the value of resistance RAK at step 8?
  8. What happens after connecting 1MΩ resistor in step 9?
Objective B: SCR Based DC Power Control
EQUIPMENTS AND MATERIALS
Power sourece 0-6v dc, 500mA (ungrounded)
Power sourece 6.3v ac, 200mA (ungrounded)
Oscilloscope
Practical Electronics Trainer
CR1-CR4 – Silicon diode, IN4004
Q1 – SCR, C106B1
R1 – 4.7KΩ, 1W
R2 – 1KΩ, 1W
R3 – 1.5 KΩ, 1W
S1 – PBNO, component module
S2 – SPDT, component module
Connect – All board.
Familiarization with Silicon Controlled Rectifier(SCR) and its application for DC and AC power control
F2
PROCEDURES/STEPS
  1. Arrange the circuit in connect- All board as shown in F2.
  2. Adjust VAK to 6V dc.
  3. Close S2 and observe DS1 light.
  4. Depress S1 momentarily; now observe DS1.
  5. Release S1 and observe DS1.
  6. Open and close S2 again. Now observe DS1.
PROBLEMS AND TASKS FOR REPORT WRITING-PART B
  1. What is the condition of DS1 at step 3?
  2. What is the condition of DS1 at step 4?
  3. What is the condition of DS1 at step 5?
  4. What is the condition of DS1 at step 6?
  5. Which component has most voltage dropped; DS1, Q1?
  6. Are the load current and anode current the same quality in this circuit?
Objective C: SCR based ac power controls using half-wave variable resistor phase control circuit.
EQUIPMENTS AND MATERIALS
Power source 6.3 Vac, 200mA
Electronic VOM
Oscilloscope
Practical Electronics Trainer:
C1 -0.1μF
CR1, CR2 -Silicon Diode, 1N4004
DS1 -Miniature Lamp
Q1 -SCR, C106B1
R1 -10kΩ, ½W Potentiometer; Component Module
R2 -470Ω, 1W
R3 -100Ω, 1W
S1 -SPST, Component Module
Connect-All board
CIRCUIT DIAGRAM
Familiarization with Silicon Controlled Rectifier(SCR) and its application for DC and AC power control F3
PROCEDURES/STEPS
  1. Arrange the circuit diagram as shown in F3.
  2. Turn on the 6.3Vac power supply.
  3. Close switch S1. Observe the light DS1.
  4. Monitor the waveform across DS1 using the oscilloscope.
  5. Slowly increase the resistance of R1 and observe the change in half sine wave.
PROBLEMS AND TASKS FOR REPORT WRITING –PARTC
  1. Write down observations of step 3.
  2. Draw the waveform of step 4.
  3. What happens at step 5?
  4. Find out the minimum and maximum conduction angle.
  5. Would you say that R1 is capable of controlling power delivered to the load?
  6. Why can’t R1 retard the phase more than 90 degrees?
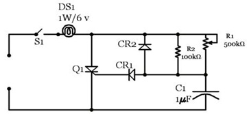
Objective D: SCR ac power controls using half-wave RC diode phase control circuit.
CIRCUIT DIAGRAM
Familiarization with Silicon Controlled Rectifier(SCR) and its application for DC and AC power control
F4
PROCEDURES/STEPS
  1. Arrange the circuit in the connect-All board as shown in F4.
  2. Adjust R1 for minimum trigger circuit resistance. Close S1, observe the light.
  3. Slowly increase R1 for maximum resistance and observe the oscilloscope waveform.
  4. Monitor the load voltage waveform across DS1 using the oscilloscope at step 2 and 3.
PROBLEMS AND TASKS FOR REPORT WRITING-PART D
  1. Write down the observations of step 2.
  2. What are maximum and minimum conduction angles at step 4?
  3. Why does this circuit give a greater range of phase retard control than the previous circuit?
  4. What is the function of C1 in F4?
Share this article :

1 comment:

  1. Wow! This is the perfect blog I am looking this type of blog its awesome blog here , share great information about this topic. This informative blog helps many readers with their decision-making regarding the situation. Great articles and will look forward for more!
    scr สล็อต

    ReplyDelete

Please wait for approval of your comment .......