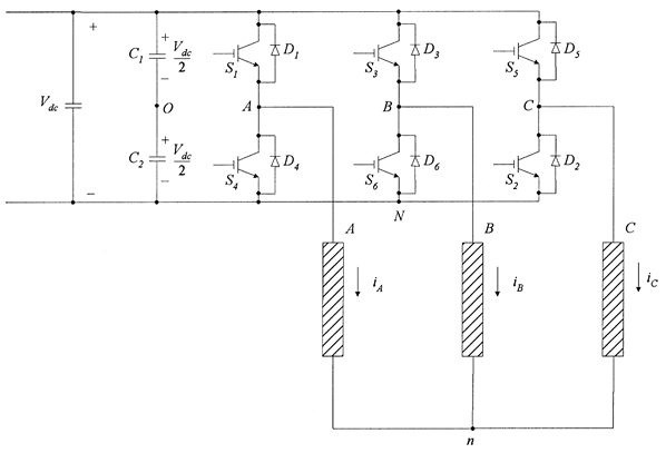
Conventional three-phase six-step VSC

The conventional three-phase six-switch VSC is shown in Figure 6.32. It consists of six switches S1-S6 and six antiparallel diodes D1-D6. The number indicates their order of being turned on. A fictitious neutral (o) as a mid-point is also included although in most cases is not available. However, when the converter under consideration is used as an active filter in the case of a four-wire three-phase system, this point (o) is used to connect the fourth-wire. This case will be discussed further in later parts.

The three converter legs are controlled with a phase-shift of 120o between them. The basic way to control the three-phase six-switch VSC is to turn on each switch for half of the period (1800) with a sequence 1, 2, 3, . . . as they are numbered and shown in Figure 6.32.

Conventional three-phase six-switch VSC

Fig. 6.32  Conventional three-phase six-switch VSC.


The operation of the converter can be explained with the assistance of Figure 6.33. Specifically, the control signals for each of the six switches are shown in Figure 6.33(a). Clearly, each switch remains on for 1800 and every 600 a new switch is turned on and one of the previous group is turned off. At any given time therefore, one switch of each leg is on. Assuming that the fictitious mid-point (0) is available, three square-type waveforms for the voltages vAO, vBO, and vCO can be drawn as shown in Figure 6.33(b). Each of the voltage waveforms has two peak values of Vdc/2, and -Vdc/2, and they are displaced by 120o from each other.

From the three waveforms vAO, vBO, and vCO, the line-to-line voltage waveforms can be drawn since

image
The three resultant line-to-line voltage waveforms are then shown in Figure 6.33(c). It is clear that each waveform takes three values (Vdc, 0, -Vdc) and there is a 120o phase-shift between them. These waveforms have a 60o interval when they are zero for each half of the period, a total of 120o per period. As explained earlier, each leg can handle current in both directions at any time, since either the turned on switch or the antiparallel diode of the other switch can be the conducting element depending upon the polarity of the output line current.

The potential of the load neutral point (n) shown in Figure 6.32 with respect to the mid-point of the DC bus (0) is drawn in Figure 6.33(d). It can be seen that such a waveform has frequency three times the output frequency and the two peak values are between Vdc/6 and -Vdc/6. Finally, the line-to-load neutral point (n) voltage waveform is illustrated in Figure 6.33(e). Such a voltage waveform has two positive values (Vdc/3 and 2Vdc/3) and two negative ones (-Vdc/3 and -2Vdc/3).

Key waveforms of the three-phase six-step VSC circuit operation


Fig. 6.33 Key waveforms of the three-phase six-step VSC circuit operation. (a) control signals for switches S1, S2, S3, S4 ,S5 , S6; (b) voltage waveforms vAO, vBO, and vCO; (c) output line-to-line voltage waveforms vAB, vBC, vCA ; (d) voltage waveform between the load neutral point (n) and the DC bus mid-point (0); (e) voltage waveform between the line point A and the load neutral point n; (f) harmonic spectrum of the line-to-DC bus mid-point; and (g) harmonic spectrum of the line-to-line voltage vAB.


The harmonics of the various waveforms can be calculated using Fourier series. The fundamental amplitude of the voltage waveforms vAO, vBO, and vCO is

image

where h is the order of the harmonic.
For the line-to-line voltage waveforms vAB, vBC, and vCA  then the fundamental amplitude is

image
and therefore the rms value of the fundamental component is then
image

Similarly, the amplitude of the harmonic voltages is

image

The rms value of the line-to-line voltage including all harmonics is

image


The  normalized  spectrum  of  the  line-to-DC  bus  mid-point  and  the  line-to-line voltage waveforms are plotted in Figures 6.33(f) and (g) respectively. It can be seen that the voltage waveforms vAO, vBO, and vCO contain all odd harmonics. The load connection as shown in Figure 6.32 does not allow 3rd harmonic and all multiples to flow, and this is confirmed with the spectrum of the line-to-line voltage waveform vAB where 3rd, 9th and 15th harmonics are eliminated as shown in Figure 6.33(g).
previous Single-phase full-bridge VSC

next Single-phase half-bridge neutral-point-clamped (NPC) vSC

Share this article :

0 comments:

Post a Comment

Please wait for approval of your comment .......